Oct. 28, 2020
Why develop an Independent Microgrid System
1.Independent microgrid: It does not depend on the external power grid and can supply power to the load independently, stably, and for a long time through distributed power sources and energy storage systems. It can be divided into three types: DC type, AC type, and AC/DC hybrid type.
LEARN MORE
Oct. 21, 2020
Off Grid Solar System and its Advantage
Off grid system, you're detached from the power grid or the neighborhood energy firm, the guys that send you an expense on a monthly basis.
Sep. 30, 2020
The Difference between Micro Grid and Large Grid
Micro-Grid: refers to a small power system connected to distributed power sources, generally including distributed power sources, energy storage, loads, transformation and distribution, and control systems.
Sep. 22, 2020
The Implication of New Energy Microgrid
With energy diversification and cleanness as the direction, with the goal of optimizing the energy structure and promoting the transformation of energy strategy, a new round of energy revolution featuring clean energy and smart grids is advancing.
Nov. 08, 2019
PV Modification
Oct. 25, 2019
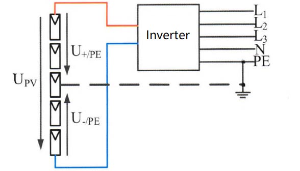
A Brief Analysis of PV Module PID Phenomenon
The ion mobility accelerates with humidity, temperature and voltage potential. Tests have revealed the relationship of mobility to temperature and humidity
Contact Us
Lastest Case
10kw Solar System
Nov. 25, 2020
The French EMINENCE II PID repair project
Feb. 26, 2020
Intelligent PID Solution
Nov. 21, 2019
Follow Us
Navigation